产品参数
产品详情
工作原理
LWL系列为卧式螺旋卸料过滤式离心机,该机运行平稳,洗涤效果好,处理能力大,经济效率高,它可在全速运转时对悬浮液进行自动连续地进料、洗涤、脱水和卸料。是固液分离中高效的分离设备。该机适用于化工、制药、食品、冶金、矿山等行业固液分离,分离悬浮液中固相含量在10%-80%、固相颗粒直径在0.05-5mm(0.2-2mm效果尤佳)范围内的线状或结晶状固体颗粒,如柠檬酸、古龙酸、盐、果汁、硫铵、尿素等。该机型可按GMP规范要求设计。
主要技术参数
型号 Model | 转鼓 Bowl | 电机功率 Motor power(kW) | 整机重量 Machine weight(kg) | 外形尺寸 Outline dimensions(mm) | |||||
直径 Diameter(mm) | 进料量 Feeding(m³/h) | 最高转速 Maximum speed(r/min) | 最大分离因数 Maximum speed(r/min) | 长 Length(L) | 宽 Width(L) | 高 Height(L) | |||
| LLW350 | 350 | 10 | 3100 | 1880 | 11 | 900 | 1150 | 1500 | 900 |
| LLW400 | 400 | 15 | 2900 | 1880 | 15 | 1000 | 1150 | 1500 | 1000 |
| LLW450 | 450 | 20 | 2500 | 1830 | 22 | 1400 | 1550 | 1500 | 1400 |
| LLW520 | 520 | 25 | 2400 | 1670 | 30 | 1800 | 1480 | 1920 | 1800 |
| LLW600 | 600 | 35 | 2200 | 1623 | 37 | 2000 | 1560 | 2000 | 2000 |
| LLW700 | 700 | 50 | 1800 | 1400 | 55 | 4000 | 2150 | 2100 | 4000 |
| LLW1000 | 1000 | 100 | 1600 | 1400 | 90 | 8000 | 2600 | 2700 | 8000 |
产品主要特点
转鼓、螺旋等主要零件可用耐蚀不锈钢、钛合金制造;
专用过滤网,滤网厚度达到 0.5mm,使用寿命更长;
转鼓转速无级调速;
螺旋差转速可调、有级或无级调速;
简单可靠的循环油润滑方式,包含调压、滤油及水冷系统;
安全保护:转速检测,滑环保护,电机过载过热保护,螺旋零差速保护;
对于大粘度物料,可选用液压差速器,工作稳定可靠。
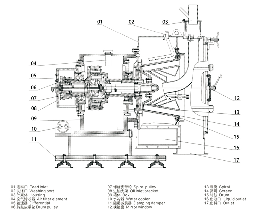
产品结构示意图

2025-07-09
2025-07-09
2025-07-09
2025-07-09
推荐产品
18015479399
扫码加微信
官方抖音
Copyright © 2025 张家港市立扬机械有限公司 苏ICP12345678